Kirjaudu
Kirjaudu sisään
Nakkilan pyörä ja mopo
Tuotekategoriat
Etusivu
Varaosaluettelot
Tarvikkeet
Varusteet
Tarjoukset
Ajoneuvot
Huolto
Yhteydenotto
Varaosa luettelot
Yamaha
600 cc
YZF-R6
YZF-R6 2013
Sylinteri
Kampiakseli ja mäntä
Venttiilit
Nokka-akseli ja ketju
Vesipumppu
Jäähdytin ja letkut
Öljypumppu
Oil cleaner
Ilmanotto
Imupuoli
Air induction system
Pakoputkisto
Kampikammio
Moottorin kopat
Starter
Kytkin
Vaihteisto
Vaihderumpu ja haarukat
Vaihdeakseli
Runko
Lokasuoja
Side cover
Rear arm
Rear suspension
Ohjaus
Etuhaarukka
Fuel tank
Istuin
Etupyörä
Etujarrusatula
Takapyörä
Takajarrusatula
Ohjaustanko ja vaijerit
Etujarrun pääsylinteri
Seisontatuki ja jalkatapit
Takajarrun pääsylinteri
Cowling 1
Cowling 2
Laturi
Starttimoottori
Vilkku
Mittaristo
Ajovalo
Takavalo
Ohjaustangon katkaisija ja vivut
Sähköjestelmä 1
Sähköjestelmä 2
Varaosat tuoteryhmittäin
Tarvikkeet
Tarjoukset
Varusteet
Ajoneuvot
NÄYTÄ TUOTEKATEGORIAT
NPM.FI
Varaosa luettelot
Yamaha
600 cc
YZF-R6
YZF-R6 2013
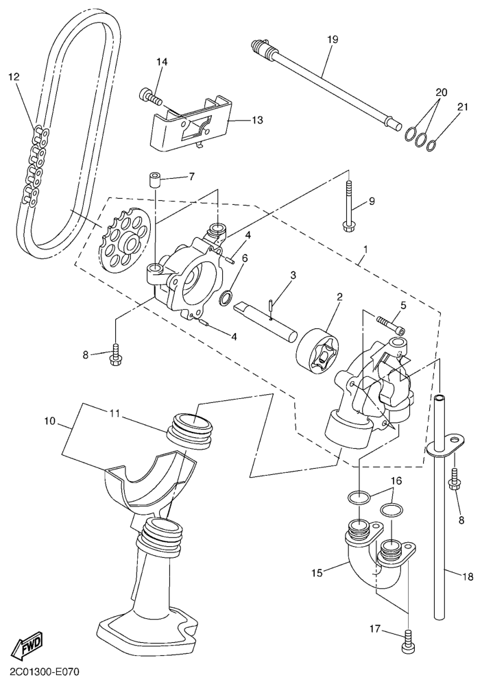
Öljypumppu
Öljypumppu, YZF-R6 2013, YZF-R6, 600 cc, Yamaha -varaosa luettelot
Näytä suurempana
Nro
#1
Tuotenumero
2C0133000000
Nimike
2C0133000000
Hinta
0,00 €
Määrä
+
-
Nro
#2
Tuotenumero
4SV133100000
Nimike
4SV133100000
Hinta
0,00 €
Määrä
+
-
Nro
#3
Tuotenumero
936031707000
Nimike
TAPPI
Hinta
5,55 €
Määrä
+
-
Nro
#4
Tuotenumero
936030910600
Nimike
PIN, DOWEL (341)
Hinta
2,55 €
Määrä
+
-
Nro
#5
Tuotenumero
913120602500
Nimike
UUSI NRO 913170602500
Hinta
2,55 €
Määrä
+
-
Nro
#6
Tuotenumero
90201113K200
Nimike
WASHER, PLATE(1WG)
Hinta
3,10 €
Määrä
+
-
Nro
#7
Tuotenumero
918081703200
Nimike
PIN, DOWEL
Hinta
7,70 €
Määrä
+
-
Nro
#8
Tuotenumero
958120603000
Nimike
KTS UUSI NRO 95D320603000
Hinta
1,05 €
Määrä
+
-
Nro
#9
Tuotenumero
958120608000
Nimike
BOLT, FLANGE
Hinta
1,95 €
Määrä
+
-
Nro
#10
Tuotenumero
2C0134100000
Nimike
2C0134100000
Hinta
0,00 €
Määrä
+
-
Nro
#11
Tuotenumero
2C0134150000
Nimike
2C0134150000
Hinta
0,00 €
Määrä
+
-
Nro
#12
Tuotenumero
945802507400
Nimike
945802507400
Hinta
0,00 €
Määrä
+
-
Nro
#13
Tuotenumero
2C0138980000
Nimike
2C0138980000
Hinta
0,00 €
Määrä
+
-
Nro
#14
Tuotenumero
901100616100
Nimike
KTS UUSI NRO 913170601600
Hinta
1,80 €
Määrä
+
-
Nro
#15
Tuotenumero
2C0134160000
Nimike
PIPE, OIL 1
Hinta
82,90 €
Lisätiedot
Määrä
+
-
Korvaavat tuotteet
Nro
#
Tuotenumero
5JW134160000
Nimike
KTS UUSI NRO 2C0134160000
Hinta
82,90 €
Määrä
+
-
Nro
#16
Tuotenumero
932101400300
Nimike
O-RING
Hinta
2,15 €
Lisätiedot
Määrä
+
-
Korvaavat tuotteet
Nro
#
Tuotenumero
M752401380004
Nimike
O-RENGAS 13,8X2,4
Hinta
2,05 €
Määrä
+
-
Nro
#17
Tuotenumero
901100616100
Nimike
KTS UUSI NRO 913170601600
Hinta
1,80 €
Määrä
+
-
Nro
#18
Tuotenumero
5EB131610000
Nimike
PIPE, DELIVERY 1
Hinta
17,15 €
Määrä
+
-
Nro
#19
Tuotenumero
2C01316E0000
Nimike
2C01316E0000
Hinta
0,00 €
Määrä
+
-
Nro
#20
Tuotenumero
932100916500
Nimike
UUSI NRO 932100981100
Hinta
4,65 €
Lisätiedot
Määrä
+
-
Korvaavat tuotteet
Nro
#
Tuotenumero
932100981100
Nimike
O-RENGAS
Hinta
4,35 €
Määrä
+
-
Nro
#
Tuotenumero
M751802033004
Nimike
O-RENGAS N70 D. 8,73X1,78 TP 1
Hinta
1,05 €
Määrä
+
-
Nro
#21
Tuotenumero
932100666700
Nimike
O-RING
Hinta
2,40 €
Määrä
+
-