Kirjaudu
Kirjaudu sisään
Nakkilan pyörä ja mopo
Tuotekategoriat
Etusivu
Varaosaluettelot
Tarvikkeet
Varusteet
Tarjoukset
Ajoneuvot
Huolto
Yhteydenotto
Varaosa luettelot
Yamaha
600 cc
YZF-R6
YZF-R6 2014
Sylinteri
Kampiakseli ja mäntä
Venttiilit
Nokka-akseli ja ketju
Vesipumppu
Jäähdytin ja letkut
Öljypumppu
Oil cleaner
Ilmanotto
Imupuoli
Air induction system
Pakoputkisto
Kampikammio
Moottorin kopat
Starter
Kytkin
Vaihteisto
Vaihderumpu ja haarukat
Vaihdeakseli
Runko
Lokasuoja
Side cover
Rear arm
Rear suspension
Ohjaus
Etuhaarukka
Fuel tank
Istuin
Etupyörä
Etujarrusatula
Takapyörä
Takajarrusatula
Ohjaustanko ja vaijerit
Etujarrun pääsylinteri
Seisontatuki ja jalkatapit
Takajarrun pääsylinteri
Cowling 1
Cowling 2
Laturi
Starttimoottori
Vilkku
Mittaristo
Ajovalo
Takavalo
Ohjaustangon katkaisija ja vivut
Sähköjestelmä 1
Sähköjestelmä 2
Varaosat tuoteryhmittäin
Tarvikkeet
Tarjoukset
Varusteet
Ajoneuvot
NÄYTÄ TUOTEKATEGORIAT
NPM.FI
Varaosa luettelot
Yamaha
600 cc
YZF-R6
YZF-R6 2014
Runko
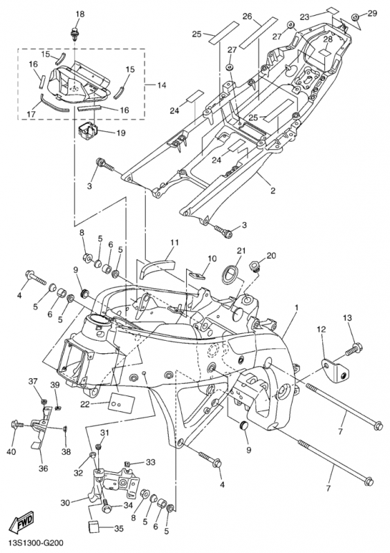
Runko, YZF-R6 2014, YZF-R6, 600 cc, Yamaha -varaosa luettelot
Näytä suurempana
Nro
#1
Tuotenumero
13S211101000
Nimike
13S211101000
Hinta
0,00 €
Määrä
+
-
Nro
#2
Tuotenumero
13S211901000
Nimike
13S211901000
Hinta
0,00 €
Määrä
+
-
Nro
#3
Tuotenumero
13S2585H0000
Nimike
13S2585H0000
Hinta
0,00 €
Määrä
+
-
Nro
#4
Tuotenumero
950241004000
Nimike
BOLT, SMALL FLANGE
Hinta
3,00 €
Määrä
+
-
Nro
#5
Tuotenumero
13S214140000
Nimike
13S214140000
Hinta
0,00 €
Määrä
+
-
Nro
#6
Tuotenumero
13S214240000
Nimike
13S214240000
Hinta
0,00 €
Määrä
+
-
Nro
#7
Tuotenumero
901051222800
Nimike
BOLT, WASHER BASED (12R)
Hinta
15,70 €
Määrä
+
-
Nro
#8
Tuotenumero
901791200400
Nimike
NUT
Hinta
5,45 €
Määrä
+
-
Nro
#9
Tuotenumero
903381500400
Nimike
PLUG
Hinta
1,05 €
Määrä
+
-
Nro
#10
Tuotenumero
2C0241820000
Nimike
DAMPER, LOCATING 2
Hinta
2,50 €
Määrä
+
-
Nro
#11
Tuotenumero
2C0214860000
Nimike
2C0214860000
Hinta
0,00 €
Määrä
+
-
Nro
#12
Tuotenumero
13S214350000
Nimike
13S214350000
Hinta
0,00 €
Määrä
+
-
Nro
#13
Tuotenumero
901050817100
Nimike
901050817100
Hinta
0,00 €
Määrä
+
-
Nro
#14
Tuotenumero
13S2110M0000
Nimike
13S2110M0000
Hinta
0,00 €
Määrä
+
-
Nro
#15
Tuotenumero
13S2174X0000
Nimike
13S2174X0000
Hinta
0,00 €
Määrä
+
-
Nro
#16
Tuotenumero
2C02174Y0000
Nimike
2C02174Y0000
Hinta
0,00 €
Määrä
+
-
Nro
#17
Tuotenumero
2C0217460000
Nimike
2C0217460000
Hinta
0,00 €
Määrä
+
-
Nro
#18
Tuotenumero
902690701000
Nimike
RIVET
Hinta
1,75 €
Määrä
+
-
Nro
#20
Tuotenumero
2C0222410000
Nimike
2C0222410000
Hinta
0,00 €
Määrä
+
-
Nro
#21
Tuotenumero
2C0212790000
Nimike
2C0212790000
Hinta
0,00 €
Määrä
+
-
Nro
#22
Tuotenumero
13S2118N1000
Nimike
13S2118N1000
Hinta
0,00 €
Määrä
+
-
Nro
#23
Tuotenumero
2C0215660000
Nimike
TAPE, 1
Hinta
4,00 €
Määrä
+
-
Nro
#24
Tuotenumero
2C0215670000
Nimike
2C0215670000
Hinta
0,00 €
Määrä
+
-
Nro
#25
Tuotenumero
13S215660000
Nimike
13S215660000
Hinta
0,00 €
Määrä
+
-
Nro
#26
Tuotenumero
13S215670000
Nimike
13S215670000
Hinta
0,00 €
Määrä
+
-
Nro
#27
Tuotenumero
13S2111D0000
Nimike
13S2111D0000
Hinta
0,00 €
Määrä
+
-
Nro
#28
Tuotenumero
2C0215660000
Nimike
TAPE, 1
Hinta
4,00 €
Määrä
+
-
Nro
#29
Tuotenumero
13S217460000
Nimike
13S217460000
Hinta
0,00 €
Määrä
+
-
Nro
#30
Tuotenumero
13S2833A0000
Nimike
13S2833A0000
Hinta
0,00 €
Määrä
+
-
Nro
#31
Tuotenumero
904801000300
Nimike
GROMMET
Hinta
2,40 €
Määrä
+
-
Nro
#32
Tuotenumero
903870604800
Nimike
903870604800
Hinta
0,00 €
Määrä
+
-
Nro
#33
Tuotenumero
901830507600
Nimike
KTS UUSI NRO 90183050A600
Hinta
2,55 €
Määrä
+
-
Nro
#34
Tuotenumero
958020602000
Nimike
UUSI NRO 958170602000
Hinta
1,35 €
Määrä
+
-
Nro
#35
Tuotenumero
13S126790000
Nimike
13S126790000
Hinta
0,00 €
Määrä
+
-
Nro
#36
Tuotenumero
13S2833E0000
Nimike
13S2833E0000
Hinta
0,00 €
Määrä
+
-
Nro
#37
Tuotenumero
904801000300
Nimike
GROMMET
Hinta
2,40 €
Määrä
+
-
Nro
#38
Tuotenumero
903870604800
Nimike
903870604800
Hinta
0,00 €
Määrä
+
-
Nro
#39
Tuotenumero
901830507600
Nimike
KTS UUSI NRO 90183050A600
Hinta
2,55 €
Määrä
+
-
Nro
#40
Tuotenumero
958020602000
Nimike
UUSI NRO 958170602000
Hinta
1,35 €
Määrä
+
-