Kirjaudu
Kirjaudu sisään
Nakkilan pyörä ja mopo
Tuotekategoriat
Etusivu
Varaosaluettelot
Tarvikkeet
Varusteet
Tarjoukset
Ajoneuvot
Huolto
Yhteydenotto
Varaosa luettelot
Yamaha
660 cc
XT660
XT660R 2014
Sylinterikansi
Sylinteri
Kampiakseli ja mäntä
Venttiilit
Nokka-akseli ja ketju
Vesipumppu
Jäähdytin ja letkut
Öljypumppu
Ilmanotto
Imupuoli
Pakoputkisto
Kampikammio
Moottorin kopat
Starttikytkin
Kytkin
Vaihteisto
Vaihderumpu ja haarukat
Vaihdeakseli
Runko
Lokasuoja
Side cover
Rear arm
Rear suspension
Ohjaus
Etuhaarukka
Fuel tank
Istuin
Etupyörä
Etujarrusatula
Takapyörä
Takajarrusatula
Ohjaustanko ja vaijerit
Etujarrun pääsylinteri
Seisontatuki ja jalkatapit
Takajarrun pääsylinteri
Cowling 1
Laturi
Vilkku
Mittaristo
Ajovalo
Takavalo
Ohjaustangon katkaisija ja vivut
Sähköjestelmä 1
Sähköjestelmä 2
Varaosat tuoteryhmittäin
Tarvikkeet
Tarjoukset
Varusteet
Ajoneuvot
NÄYTÄ TUOTEKATEGORIAT
NPM.FI
Varaosa luettelot
Yamaha
660 cc
XT660
XT660R 2014
Kytkin
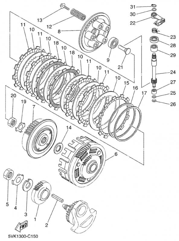
Kytkin, XT660R 2014, XT660, 660 cc, Yamaha -varaosa luettelot
Näytä suurempana
Nro
#1
Tuotenumero
5VKE61110000
Nimike
GEAR, PRIMARY DRIVE
Hinta
117,60 €
Määrä
+
-
Nro
#2
Tuotenumero
902820700100
Nimike
KEY, STRAIGHT
Hinta
19,15 €
Määrä
+
-
Nro
#3
Tuotenumero
902092001200
Nimike
WASHER
Hinta
13,75 €
Määrä
+
-
Nro
#4
Tuotenumero
9021520X0000
Nimike
KTS UUSI NRO 902152000600
Hinta
3,30 €
Määrä
+
-
Nro
#5
Tuotenumero
901702027400
Nimike
NUT
Hinta
13,40 €
Määrä
+
-
Nro
#6
Tuotenumero
5VKE61501000
Nimike
PRIMARY DRIVEN GEA
Hinta
190,00 €
Lisätiedot
Määrä
+
-
Korvaavat tuotteet
Nro
#
Tuotenumero
5VKE61500000
Nimike
KTS UUSI NRO 5VKE61501000
Hinta
190,00 €
Määrä
+
-
Nro
#7
Tuotenumero
5VKE63710000
Nimike
BOSS, CLUTCH
Hinta
284,60 €
Lisätiedot
Määrä
+
-
Korvaavat tuotteet
Nro
#
Tuotenumero
5VK163710000
Nimike
UUSI NRO 5VKE63710000
Hinta
304,20 €
Määrä
+
-
Nro
#8
Tuotenumero
5VKE63510000
Nimike
PLATE, PRESSURE 1
Hinta
43,90 €
Lisätiedot
Määrä
+
-
Korvaavat tuotteet
Nro
#
Tuotenumero
5VK163510000
Nimike
KTS UUSI NRO 5VKE63510000
Hinta
43,90 €
Määrä
+
-
Nro
#9
Tuotenumero
933060030400
Nimike
UUSI NRO 933060031500
Hinta
41,55 €
Määrä
+
-
Nro
#10
Tuotenumero
5VKE63250000
Nimike
PLATE, CLUTCH 2
Hinta
13,60 €
Määrä
+
-
Nro
#11
Tuotenumero
22U163210000
Nimike
KYTKINLEVY XV535
Hinta
16,55 €
Lisätiedot
Määrä
+
-
Korvaavat tuotteet
Nro
#
Tuotenumero
3F.1050Y
Nimike
KYTKINLEVY IRRALLINEN
Hinta
12,15 €
Määrä
+
-
Nro
#
Tuotenumero
VP-2044
Nimike
KYTKINL.WR250,YZ250,XV535VIRAG
Hinta
17,50 €
Määrä
+
-
Nro
#12
Tuotenumero
9050126X0000
Nimike
SPRING, COMPRESSIO
Hinta
4,85 €
Määrä
+
-
Nro
#13
Tuotenumero
901190610500
Nimike
BOLT, WITH WASHER
Hinta
2,50 €
Määrä
+
-
Nro
#14
Tuotenumero
5VKE61540000
Nimike
PLATE, THRUST 1
Hinta
8,55 €
Määrä
+
-
Nro
#15
Tuotenumero
5VK163310000
Nimike
PLATE, FRICTION 2
Hinta
16,05 €
Määrä
+
-
Nro
#16
Tuotenumero
5VKE63830000
Nimike
SPRING, CLUTCH BOS
Hinta
12,80 €
Määrä
+
-
Nro
#17
Tuotenumero
5VKE63840000
Nimike
PLATE, SEAT
Hinta
4,85 €
Määrä
+
-
Nro
#18
Tuotenumero
5TA163210000
Nimike
PLATE , FRICTION
Hinta
21,60 €
Määrä
+
-
Nro
#19
Tuotenumero
9021520X0100
Nimike
WASHER, LOCK
Hinta
2,85 €
Määrä
+
-
Nro
#20
Tuotenumero
901702032700
Nimike
NUT
Hinta
10,15 €
Määrä
+
-
Nro
#21
Tuotenumero
4XV163560100
Nimike
ROD, PUSH 1
Hinta
61,65 €
Määrä
+
-
Nro
#22
Tuotenumero
5VK163400000
Nimike
PUSH LEVER ASSY
Hinta
40,95 €
Määrä
+
-
Nro
#23
Tuotenumero
9050816X0000
Nimike
KTS UUSI NRO 9050816X0100
Hinta
2,85 €
Lisätiedot
Määrä
+
-
Korvaavat tuotteet
Nro
#
Tuotenumero
9050816X0100
Nimike
SPRING,TORSION
Hinta
2,70 €
Määrä
+
-
Nro
#24
Tuotenumero
5VKE63820000
Nimike
KTS UUSI NRO 5EB163820000
Hinta
107,30 €
Lisätiedot
Määrä
+
-
Korvaavat tuotteet
Nro
#
Tuotenumero
5EB163820000
Nimike
AXLE, PUSH LEVER
Hinta
107,30 €
Määrä
+
-
Nro
#25
Tuotenumero
9020108X1900
Nimike
KTS UUSI NRO 929070860000
Hinta
0,95 €
Määrä
+
-
Nro
#26
Tuotenumero
990010760000
Nimike
UUSI NRO 990800760000
Hinta
0,95 €
Lisätiedot
Määrä
+
-
Korvaavat tuotteet
Nro
#
Tuotenumero
990800760000
Nimike
CIRCLIP(6L2)
Hinta
0,95 €
Määrä
+
-
Nro
#27
Tuotenumero
933171109600
Nimike
BEARING
Hinta
10,40 €
Määrä
+
-
Nro
#28
Tuotenumero
931021521200
Nimike
OIL SEAL (3X3)
Hinta
11,60 €
Määrä
+
-
Nro
#29
Tuotenumero
933153150200
Nimike
BEARING,CYLINDRICAL
Hinta
28,35 €
Määrä
+
-
Nro
#30
Tuotenumero
9020110X1700
Nimike
KTS UUSI NRO 902011061400
Hinta
4,45 €
Määrä
+
-
Nro
#31
Tuotenumero
9341010X0000
Nimike
CIRCLIP
Hinta
0,70 €
Määrä
+
-