Kirjaudu
Kirjaudu sisään
Nakkilan pyörä ja mopo
Tuotekategoriat
Etusivu
Varaosaluettelot
Tarvikkeet
Varusteet
Tarjoukset
Ajoneuvot
Huolto
Yhteydenotto
Varaosa luettelot
Yamaha
700 cc
MT-07A 35kW
MT07A 35kW 2024
Periodic maintenance parts
Sylinterikansi
Kampiakseli ja mäntä
Venttiilit
Nokka-akseli ja ketju
Vesipumppu
Jäähdytin ja letkut
Öljypumppu
Oil cleaner
Ilmanotto
Imupuoli
Pakoputkisto
Kampikammio
Moottorin kopat
Starter
Kytkin
Vaihteisto
Vaihderumpu ja haarukat
Vaihdeakseli
Runko
Lokasuoja
Side cover
Rear arm
Rear suspension
Ohjaus
Etuhaarukka
Fuel tank
Fuel tank 2
Istuin
Etupyörä
Etujarrusatula
Takapyörä
Takajarrusatula
Ohjaustanko ja vaijerit
Etujarrun pääsylinteri
Seisontatuki ja jalkatapit
Stand & footrest 2
Takajarrun pääsylinteri
Laturi
Starttimoottori
Vilkku
Mittaristo
Ajovalo
Takavalo
Ohjaustangon katkaisija ja vivut
Sähköjestelmä 1
Sähköjestelmä 2
Sähköjestelmä 3
Varaosat tuoteryhmittäin
Tarvikkeet
Tarjoukset
Varusteet
Ajoneuvot
NÄYTÄ TUOTEKATEGORIAT
NPM.FI
Varaosa luettelot
Yamaha
700 cc
MT-07A 35kW
MT07A 35kW 2024
Sähköjestelmä 1
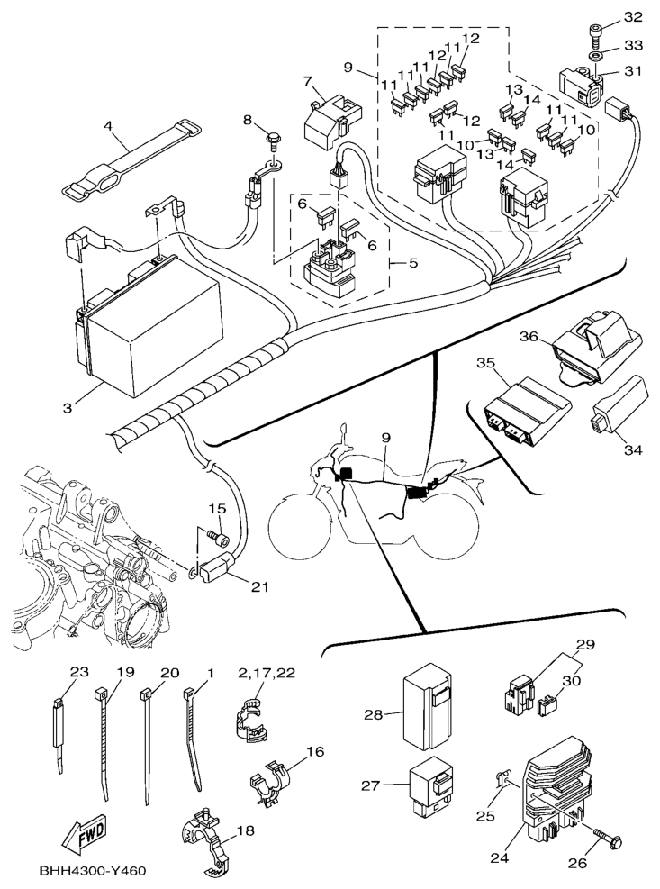
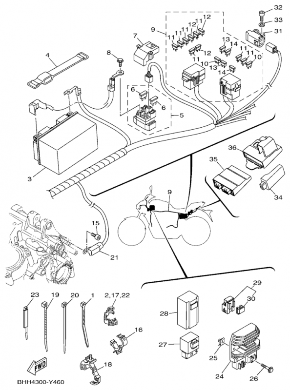
Sähköjestelmä 1, MT07A 35kW 2024, MT-07A 35kW, 700 cc, Yamaha -varaosa luettelot
Näytä suurempana
Nro
#1
Tuotenumero
904643600500
Nimike
904643600500
Hinta
0,00 €
Määrä
+
-
Nro
#2
Tuotenumero
904641401000
Nimike
CLAMP
Hinta
2,25 €
Määrä
+
-
Nro
#3
Tuotenumero
5VY821000100
Nimike
5VY821000100
Hinta
0,00 €
Määrä
+
-
Nro
#4
Tuotenumero
1WS821310000
Nimike
BAND, BATTERY
Hinta
10,65 €
Määrä
+
-
Nro
#5
Tuotenumero
1XC819400000
Nimike
STARTER RELAY ASSY (RC19-089B)
Hinta
111,65 €
Määrä
+
-
Nro
#6
Tuotenumero
1AE821510000
Nimike
FUSE (30A-BL)
Hinta
14,80 €
Määrä
+
-
Nro
#7
Tuotenumero
5SL821191000
Nimike
COVER,LEADWIRE
Hinta
5,90 €
Määrä
+
-
Nro
#8
Tuotenumero
950220600800
Nimike
BOLT, FLANGE
Hinta
0,60 €
Määrä
+
-
Nro
#9
Tuotenumero
BAT825905000
Nimike
BAT825905000
Hinta
0,00 €
Määrä
+
-
Nro
#10
Tuotenumero
5JJ821515000
Nimike
KTS UUSI NRO 67F821513000
Hinta
8,75 €
Määrä
+
-
Nro
#11
Tuotenumero
5JJ821510000
Nimike
FUSE (7.5A-BL)
Hinta
4,55 €
Määrä
+
-
Nro
#12
Tuotenumero
5JJ821513000
Nimike
KTS UUSI NRO 67F821514000
Hinta
8,75 €
Lisätiedot
Määrä
+
-
Korvaavat tuotteet
Nro
#
Tuotenumero
67F821514000
Nimike
FUSE (10A)
Hinta
9,35 €
Määrä
+
-
Nro
#13
Tuotenumero
5JJ821512000
Nimike
FUSE (20A-BL)
Hinta
4,55 €
Määrä
+
-
Nro
#14
Tuotenumero
5JJ821516000
Nimike
FUSE
Hinta
4,55 €
Määrä
+
-
Nro
#15
Tuotenumero
913800601200
Nimike
BOLT
Hinta
2,80 €
Määrä
+
-
Nro
#16
Tuotenumero
904642019100
Nimike
CLAMP1
Hinta
5,20 €
Määrä
+
-
Nro
#17
Tuotenumero
904641401000
Nimike
CLAMP
Hinta
2,25 €
Määrä
+
-
Nro
#18
Tuotenumero
904643001000
Nimike
904643001000
Hinta
0,00 €
Määrä
+
-
Nro
#19
Tuotenumero
1UA825910000
Nimike
PIDIKE
Hinta
2,40 €
Lisätiedot
Määrä
+
-
Korvaavat tuotteet
Nro
#
Tuotenumero
12R825910000
Nimike
KTS N:O 1UA825910000
Hinta
2,40 €
Määrä
+
-
Nro
#
Tuotenumero
904643206000
Nimike
UUSI NRO 12R825910000
Hinta
2,40 €
Määrä
+
-
Nro
#
Tuotenumero
904651235600
Nimike
KTS UUSI NRO 1UA825910000
Hinta
2,40 €
Määrä
+
-
Nro
#
Tuotenumero
904651315200
Nimike
KTS UUSI NRO 1UA825910000
Hinta
2,40 €
Määrä
+
-
Nro
#20
Tuotenumero
904646500100
Nimike
CLAMP
Hinta
2,05 €
Määrä
+
-
Nro
#21
Tuotenumero
1WS819160000
Nimike
COVER, TERMINAL
Hinta
7,15 €
Määrä
+
-
Nro
#22
Tuotenumero
904641401000
Nimike
CLAMP
Hinta
2,25 €
Määrä
+
-
Nro
#23
Tuotenumero
BAT216460000
Nimike
BAT216460000
Hinta
0,00 €
Määrä
+
-
Nro
#24
Tuotenumero
1D7819601000
Nimike
1D7819601000
Hinta
0,00 €
Määrä
+
-
Nro
#25
Tuotenumero
90183060A600
Nimike
NUT,SPRING
Hinta
3,80 €
Määrä
+
-
Nro
#26
Tuotenumero
950220602500
Nimike
BOLT, FLANGE
Hinta
0,80 €
Määrä
+
-
Nro
#27
Tuotenumero
5VK819505200
Nimike
5VK819505200
Hinta
0,00 €
Määrä
+
-
Nro
#28
Tuotenumero
1WS8246B0000
Nimike
COVER 1
Hinta
13,15 €
Määrä
+
-
Nro
#29
Tuotenumero
1TP819500000
Nimike
RELAYASSY(1TP-00)
Hinta
19,35 €
Määrä
+
-
Nro
#30
Tuotenumero
5EA819520000
Nimike
. HOLDER, RELAY
Hinta
7,35 €
Määrä
+
-
Nro
#31
Tuotenumero
5PS825760100
Nimike
SENSOR,LEANANGLE
Hinta
105,50 €
Määrä
+
-
Nro
#32
Tuotenumero
913120402500
Nimike
BOLT
Hinta
0,70 €
Määrä
+
-
Nro
#33
Tuotenumero
902010403000
Nimike
WASHER,PLATE
Hinta
1,90 €
Määrä
+
-
Nro
#34
Tuotenumero
B6YH58101000
Nimike
B6YH58101000
Hinta
0,00 €
Määrä
+
-
Nro
#35
Tuotenumero
BAT854900000
Nimike
BAT854900000
Hinta
0,00 €
Määrä
+
-
Nro
#36
Tuotenumero
BAT855461000
Nimike
BAT855461000
Hinta
0,00 €
Määrä
+
-