Kirjaudu
Kirjaudu sisään
Nakkilan pyörä ja mopo
Tuotekategoriat
Etusivu
Varaosaluettelot
Tarvikkeet
Varusteet
Tarjoukset
Ajoneuvot
Huolto
Yhteydenotto
Varaosa luettelot
Yamaha
85 - 90 cc
YZ85
YZ85LW 2006
Sylinteri
Kampiakseli ja mäntä
Vesipumppu
Jäähdytin ja letkut
Ilmanotto
Kaasutin
Pakoputkisto
Kampikammio
Moottorin kopat
Käynnistin
Kytkin
Vaihteisto
Vaihderumpu ja haarukat
Vaihdeakseli
Runko
Lokasuoja
Sivupaneelit
Takahaarukka
Takajousitus
Ohjaus
Etuhaarukka
Tankki
Istuin
Etupyörä
Etujarrusatula
Takapyörä
Takajarrusatula
Ohjaustanko ja vaijerit
Etujarrun pääsylinteri
Seisontatuki ja jalkatapit
Takajarrun pääsylinteri
Laturi
Ohjaustangon katkaisija ja vivut
Sähköjestelmä 1
Vaihtoehtoiset osat
Vaihtoehtoiset osat
Varaosat tuoteryhmittäin
Tarvikkeet
Tarjoukset
Varusteet
Ajoneuvot
NÄYTÄ TUOTEKATEGORIAT
NPM.FI
Varaosa luettelot
Yamaha
85 - 90 cc
YZ85
YZ85LW 2006
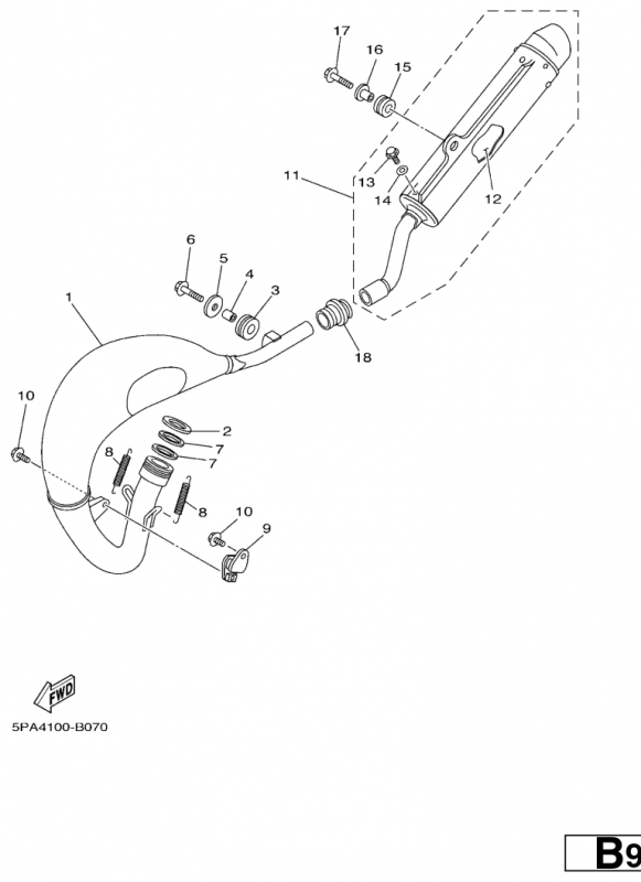
Pakoputkisto
Pakoputkisto, YZ85LW 2006, YZ85, 85 - 90 cc, Yamaha -varaosa luettelot
Näytä suurempana
Nro
#1
Tuotenumero
5PA146100000
Nimike
EXHAUST PIPE ASSY 1
Hinta
410,65 €
Määrä
+
-
Nro
#2
Tuotenumero
902013329900
Nimike
UUSI NRO 902013468300
Hinta
9,35 €
Määrä
+
-
Nro
#3
Tuotenumero
904801841100
Nimike
GROMMET
Hinta
6,85 €
Määrä
+
-
Nro
#4
Tuotenumero
90387105L000
Nimike
COLLAR
Hinta
1,85 €
Määrä
+
-
Nro
#5
Tuotenumero
90201060A300
Nimike
KTS UUSI NRO 902010608600
Hinta
2,50 €
Määrä
+
-
Nro
#6
Tuotenumero
950270602500
Nimike
KTS UUSI NRO 90105060A000
Hinta
2,00 €
Lisätiedot
Määrä
+
-
Korvaavat tuotteet
Nro
#
Tuotenumero
90105060A000
Nimike
BOLT, WASHER BASED(4KG)
Hinta
2,00 €
Määrä
+
-
Nro
#7
Tuotenumero
5PA146420000
Nimike
SEAL, EXHAUST
Hinta
13,35 €
Määrä
+
-
Nro
#8
Tuotenumero
905072005200
Nimike
SPRING
Hinta
8,95 €
Määrä
+
-
Nro
#9
Tuotenumero
565147710000
Nimike
PAKOPUTKEN KIINNIKE YZ
Hinta
39,85 €
Määrä
+
-
Nro
#10
Tuotenumero
901190600100
Nimike
BOLT, WITH WASHER
Hinta
2,70 €
Määrä
+
-
Nro
#11
Tuotenumero
4ES147532000
Nimike
UUSI NRO 4ES147533000
Hinta
392,10 €
Lisätiedot
Määrä
+
-
Korvaavat tuotteet
Nro
#
Tuotenumero
4ES147530000
Nimike
UUSI NRO 4ES147533000
Hinta
416,90 €
Määrä
+
-
Nro
#12
Tuotenumero
5PA147530000
Nimike
SILENCER, EXHAUST
Hinta
381,80 €
Määrä
+
-
Nro
#12
Tuotenumero
4ES1469A0000
Nimike
FIBER
Hinta
161,85 €
Määrä
+
-
Nro
#13
Tuotenumero
5PA1469A0000
Nimike
. FIBER
Hinta
94,90 €
Määrä
+
-
Nro
#13
Tuotenumero
920170601000
Nimike
SCREW
Hinta
1,85 €
Määrä
+
-
Nro
#14
Tuotenumero
902010605000
Nimike
UUSI NRO 9020106M0800
Hinta
3,60 €
Lisätiedot
Määrä
+
-
Korvaavat tuotteet
Nro
#
Tuotenumero
9020106M0800
Nimike
WASHER, PLATE(6E3)
Hinta
3,60 €
Määrä
+
-
Nro
#15
Tuotenumero
904801656100
Nimike
GROMMET
Hinta
10,45 €
Määrä
+
-
Nro
#16
Tuotenumero
90387063G300
Nimike
COLLAR
Hinta
11,35 €
Määrä
+
-
Nro
#17
Tuotenumero
950270602500
Nimike
KTS UUSI NRO 90105060A000
Hinta
2,00 €
Lisätiedot
Määrä
+
-
Korvaavat tuotteet
Nro
#
Tuotenumero
90105060A000
Nimike
BOLT, WASHER BASED(4KG)
Hinta
2,00 €
Määrä
+
-
Nro
#18
Tuotenumero
17W146150000
Nimike
TIIVISTE
Hinta
29,45 €
Määrä
+
-