Kirjaudu
Kirjaudu sisään
Nakkilan pyörä ja mopo
Tuotekategoriat
Etusivu
Varaosaluettelot
Tarvikkeet
Varusteet
Tarjoukset
Ajoneuvot
Huolto
Yhteydenotto
Varaosa luettelot
Yamaha
85 - 90 cc
YZ85
YZ85LW 2024
Scheduled service parts
Maintenance parts kit
Piston rebuilt kit
Sylinteri
Governor
Kampiakseli ja mäntä
Vesipumppu
Jäähdytin ja letkut
Ilmanotto
Kaasutin
Pakoputkisto
Kampikammio
Crankcase cover
Käynnistin
Kytkin
Vaihteisto
Vaihderumpu ja haarukat
Vaihdeakseli
Runko
Lokasuoja
Sivupaneelit
Takahaarukka
Takahaarukka ja jousitus
Ohjaus
Etuhaarukka
Tankki
Istuin
Etupyörä
Etujarrusatula
Takapyörä
Takajarrusatula
Ohjaustanko ja vaijerit
Etujarrun pääsylinteri
Seisontatuki ja jalkatapit
Takajarrun pääsylinteri
Laturi
Ohjaustangon katkaisija ja vivut
Sähköjestelmä 1
Vaihtoehtoiset osat
Vaihtoehtoiset osat
Varaosat tuoteryhmittäin
Tarvikkeet
Tarjoukset
Varusteet
Ajoneuvot
NÄYTÄ TUOTEKATEGORIAT
NPM.FI
Varaosa luettelot
Yamaha
85 - 90 cc
YZ85
YZ85LW 2024
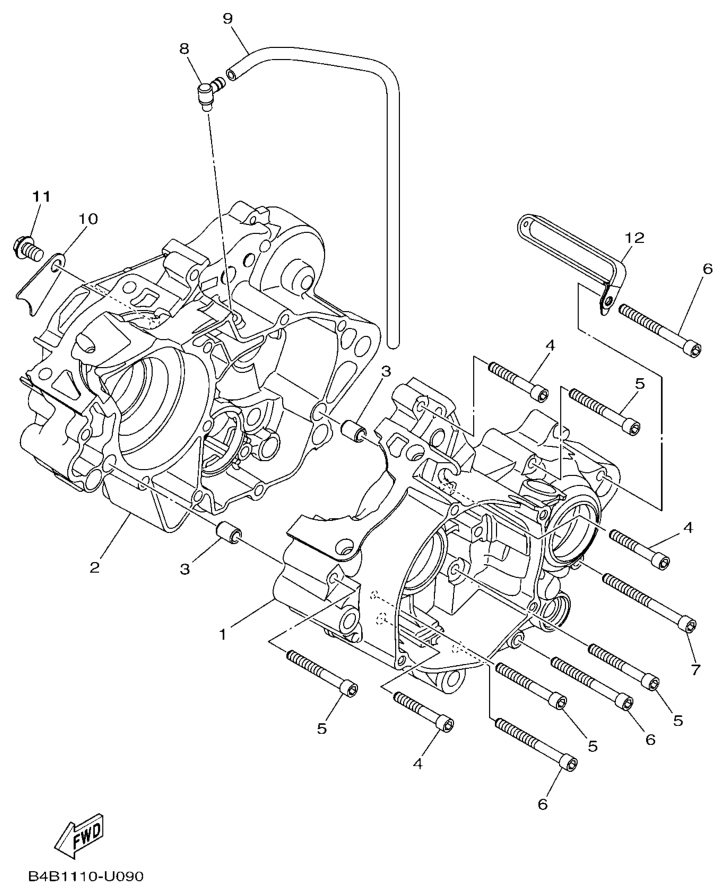
Kampikammio
Kampikammio, YZ85LW 2024, YZ85, 85 - 90 cc, Yamaha -varaosa luettelot
Näytä suurempana
Nro
#1
Tuotenumero
B4B151110000
Nimike
CRANKCASE1
Hinta
680,50 €
Määrä
+
-
Nro
#2
Tuotenumero
B4B151210000
Nimike
CRANKCASE2
Hinta
680,50 €
Määrä
+
-
Nro
#3
Tuotenumero
995301001400
Nimike
PIN, DOWEL
Hinta
3,15 €
Määrä
+
-
Nro
#4
Tuotenumero
913420604000
Nimike
BOLT
Hinta
1,05 €
Määrä
+
-
Nro
#5
Tuotenumero
913420605000
Nimike
BOLT
Hinta
1,05 €
Määrä
+
-
Nro
#6
Tuotenumero
913420606000
Nimike
BOLT
Hinta
1,10 €
Määrä
+
-
Nro
#7
Tuotenumero
913420607000
Nimike
BOLT
Hinta
1,30 €
Määrä
+
-
Nro
#8
Tuotenumero
353131150100
Nimike
CONNECTOR,SUCTIONPIPE
Hinta
7,75 €
Määrä
+
-
Nro
#9
Tuotenumero
904450837600
Nimike
UUSI NRO 904450868400
Hinta
6,20 €
Määrä
+
-
Nro
#10
Tuotenumero
5PA151180000
Nimike
HOLDER
Hinta
5,35 €
Määrä
+
-
Nro
#11
Tuotenumero
901050812600
Nimike
KTS UUSI NRO 950220801200
Hinta
1,05 €
Määrä
+
-
Nro
#12
Tuotenumero
904611013600
Nimike
CLAMP
Hinta
21,90 €
Määrä
+
-