Kirjaudu
Kirjaudu sisään
Nakkilan pyörä ja mopo
Tuotekategoriat
Etusivu
Varaosaluettelot
Tarvikkeet
Varusteet
Tarjoukset
Ajoneuvot
Huolto
Yhteydenotto
Varaosa luettelot
Yamaha
900 cc
MT09
MT09A 2017
Sylinterikansi
Kampiakseli ja mäntä
Venttiilit
Nokka-akseli ja ketju
Vesipumppu
Jäähdytin ja letkut
Öljypumppu
Oil cleaner
Ilmanotto
Imupuoli
Air induction system
Pakoputkisto
Kampikammio
Moottorin kopat
Starter
Kytkin
Vaihteisto
Vaihderumpu ja haarukat
Vaihdeakseli
Runko
Lokasuoja
Side cover
Rear arm
Rear suspension
Ohjaus
Etuhaarukka
Fuel tank
Istuin
Etupyörä
Etujarrusatula
Takapyörä
Takajarrusatula
Ohjaustanko ja vaijerit
Etujarrun pääsylinteri
Seisontatuki ja jalkatapit
Takajarrun pääsylinteri
Laturi
Starttimoottori
Vilkku
Mittaristo
Ajovalo
Takavalo
Ohjaustangon katkaisija ja vivut
Sähköjestelmä 1
Sähköjestelmä 2
Sähköjestelmä 3
Varaosat tuoteryhmittäin
Tarvikkeet
Tarjoukset
Varusteet
Ajoneuvot
NÄYTÄ TUOTEKATEGORIAT
NPM.FI
Varaosa luettelot
Yamaha
900 cc
MT09
MT09A 2017
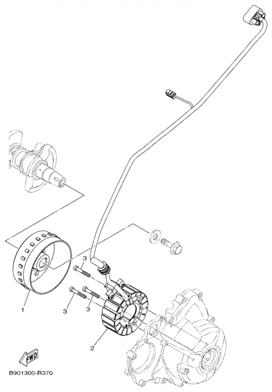
Laturi
Laturi, MT09A 2017, MT09, 900 cc, Yamaha -varaosa luettelot
Näytä suurempana
Nro
#1
Tuotenumero
1RC814500000
Nimike
1RC814500000
Hinta
0,00 €
Määrä
+
-
Nro
#2
Tuotenumero
1RC814100000
Nimike
1RC814100000
Hinta
0,00 €
Määrä
+
-
Nro
#3
Tuotenumero
901100622300
Nimike
KTS UUSI NRO 913120604000
Hinta
3,40 €
Määrä
+
-